Tời Điện 300Kg – Dòng CWG-10077 là loại gì?
Tời Điện 300KG – Dòng CWG-10077 là loại tời điện của hãng COMEUP Đài Loan có tải trọng nâng là 300Kg, sử dụng dòng điện 1 pha, dây cáp thép phi 6, dài 60 mét với cấu trúc dây cáp thép là 6×19. Tời điện này có chiều cao nâng tối đa là 58 mét, được sản xuất theo công nghệ của Đài Loan có độ bền tốt đem lại sự tiện lợi và an toàn cho người sử dụng, phù hợp với nhiều loại công trình xây dựng.

Cùng với loại CWG – 10077 tải trọng 300Kg còn sử dụng dòng điện 3 pha có Model CWG-30075.
Thông Số Kỹ Thuật Tời Điện CWG-10077 và CWG-30075
| MODEL | CWG-10077 | CWG-30075 |
| Tải trọng nâng: KG | 300Kg | |
| Tốc độ nâng: Lớp đầu tiên | 12 m/min | 10 m/min |
| Tốc độ nâng: Lớp ngoài | 19 m/min | 15 m/min |
| Motot đạt chuẩn IP44 | 1 pha -220V-50Hz 1.5 KW x 4P | 3 pha-380V-50Hz 0.75 KW x 4P |
| Tỉ lệ bánh răng | 41:1 | 43:1 |
| Chiều cao nâng | Max 58 mét | Max 29 mét |
| Phanh | Phanh từ | |
| Dây cáp thép | Ø 6 , dài 60 M | Ø6, dài 30 M |
| Cấu trúc cáp thép | 6×19, độ bền đứt 2010 KG | |
| Móc cẩu: | CHW-0031 (hình dưới) | |
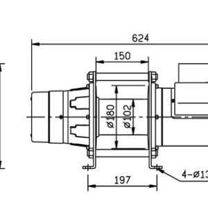
| Độ dài trống | 150 mm | 110 mm |
| Đường kính trống | 102 mm | 94 mm |
| Đường kính mặt bích | 180 mm | 154 mm |
| Bu lông | 197×156 mm | 142 x 142 mm |
| Khối lượng thực | 42 Kg | 32 Kg |
| Tổng khổi lượng | 44 Kg | 34 Kg |


Khác với Pa Lăng, Tời điện CWG-10077 sử dụng dây cáp thép được quấn thành 6 lớp trên trống của tời. Lớp trong cùng gọi là lớp 1 và lớp ngoài cùng gọi là lớp 6. Tải trọng nâng và tốc độ nâng thay đổi theo chiều dài dây cáp hay là lớp của cuộn dây cáp thép trên trống.
Như vậy, Tời Điện CWG-10077 cũng có thể nâng hàng hóa có tải trọng là 350kg với độ dài dây cáp là 38 mét.
Phụ Kiện Tiêu Chuẩn (ĐÃ BAO GỒM)
- Dây cáp thép: Phi 6, dài 60 mét
- Móc cẩu: CHW-0031 (hình dưới)
- Remote Control: Công tắc mặt HOB-213, Dây điện 3.5 mm2 x 5C x 3m
Phụ Kiện thay thế cho Tời Điện 300Kg Tấn CWG-10077: Sự lựa chọn cho khách hàng
>Option: Remote control:
- Công tắc mặt PB-331 với nút STOP dừng khẩn cấp (như hình dưới)
- Dây điện: 3.5 mm2 x 3C x 3 m
> Tụ LV-320 thay đổi điện áp thấp
- Công tắc mặt: PB-306 với nút STOP dừng khẩn cấp, dây điện 1.25 mm2 x 3C x 3m (như hình dưới)
- Tụ điện: LV-320

Tờ điện 300Kg Tấn Model CWG-10077 có nhiều tính năng vượt trội:
- Thiết kế nhẹ và nhỏ gọn dễ dàng di chuyển, cài đặt.
- Phanh điện từ.
- Hiệu quả cao trên tất cả các bề mặt.
- Bánh răng cho hiệu quả tối đa
- Mặt bích trống kèm theo để ngăn chặn dây bị mắc kẹt giữa trống và tấm thép hỗ trợ
- Máy chạy yên tĩnh
- Có nhiều phụ kiện vận hành theo yêu cầu
LƯU Ý:
Tời điện không được sử dụng cho việc di chuyển hoặc nâng người.
Tải trọng nâng định mức dựa trên lớp dây cáp ngoài cùng của trống.
Dây quấn trên trống phải giữ nguyên 5 vòng từ trống.
Sơ đồ dây điện của Tời Điện CWG-10077

Tại Sao Thương Hiệu Tời Điện COMEUP – Đài Loan Được Ưu Thích
Comeup là một thương hiệu sản xuất tời điện tới từ Đài Loan được thành lập cách đây hơn 4 thập kỉ .Luôn mang trong mình quan niệm : “Sản phẩm tốt nhất, sản phẩm đem lại lợi ích cho khách hàng nhiều nhất ” .Để thực hiện được điều đó các chi tiết tạo sản phẩm đều được thiết kế và sản xuất bên trong nhà máy của Comeup để đảm bảo được sự đồng nhất từ thiết kế tới chất lượng
ComeUp đã kết hợp với Mori Seki Nhật Bản thiết lập hệ thống sản xuất linh hoạt . Điều này làm tăng sự kiểm soát ở mỗi bước trong quy trình sản xuất để đảm bảo chất lượng cao của từng thành phần sản phẩm.
– Kèm theo ComeUp có bảo hành trọn đời cho các linh kiện cơ khí và bảo hành một năm cho các linh kiện điện, kể từ ngày khách hàng mua
– ComeUp có các chứng nhận TÜV Nord ISO 9001: 2015 về quản lý chất lượng và dấu CE cho các yêu cầu an toàn sản phẩm.

Tời Điện 300Kg – 60 mét – CWG-10077 Có Thể Mua Ở Đâu ?
XUYÊN Á ĐẠI THÀNH tự hào là nhà nhập khẩu và phân phối uy tín chuyên nghiệp các loại thiết bị nâng hạ, cung cấp các thiết bị và phụ kiện cho ngành điện, ngành xây dựng, bảo hộ lao động cùng với nhiều chủng loại phong phú, đa dạng về kiểu dáng, mẫu mã và phù hợp với mọi điều kiện cũng như nhu cầu công việc của Quý khách.
- Chúng tôi chuyên cung cấp các loại thiết bị nâng hạ, thiết bị phụ kiện ngành điện, xây dựng, bảo hộ lao động mang nhiều thương hiệu nổi tiếng như Hàn Quốc, Nhật Bản Đài Loan… nhập khẩu nguyên chiếc và tất cả đều chính hãng do chúng tôi phân phối.
- Về phân phối sản phẩm: Chúng tôi có những hình thức bán hàng sẵn có và đặt hàng theo nhu cầu khách hàng yêu cầu.
- Về quan điểm kinh doanh: Chúng tôi cung cấp cho mọi khách hàng không phân biệt lấy số lượng nhiều hay ít , giá cả hợp lý cho mọi khách hàng để khách hàng yên tâm sử dụng hay nhằm mục đích kinh doanh. Hàng chính xác chất lượng và chất lượng đảm bảo . Uy tín là niềm tin.
Hình Ảnh Thực Tế Tời Điện Comeup Tại Kho Của Xuyên Á Đại Thành


>>>Xem thêm : ” Video mở hộp tời điện Đài Loan – Thương Hiệu Comeup “
Báo Giá Sản Phẩm Tời Điện 300 Kg Comeup Đài Loan
Hãy liên hệ với chúng tôi ngay để được báo giá và tư vấn.
- Văn Phòng Đại Diện:Lầu 9, Tòa nhà Vietcomreal, Số 68 Nguyễn Huệ, P. Bến Nghé, Q.1, HCM
- Trụ Sở Kho : 347B Quốc Lộ 50, xã Phong Phú, Bình Chánh, Hồ Chí Minh, Việt Nam
- Website: www.xuyenadaithanh.com
- Facebook: https://www.facebook.com/XUYENADAITHANH/
- Kênh Youtube: www.youtube.com/xuyenadaithanh













Đánh giá
Chưa có đánh giá nào.