Trong ngành công nghiệp nâng hạ, ma ní size 1 Omega chốt vặn ren tải trọng 8.5 tấn model G-209 Kawasaki là sản phẩm nổi bật, được tin dùng nhờ độ bền, an toàn và hiệu suất vượt trội. Được sản xuất theo công nghệ tiên tiến, mang thương hiệu Kawasaki, ma ní G-209 là giải pháp lý tưởng cho các ứng dụng trong xây dựng, cảng biển, và công nghiệp nặng. Hãy cùng tìm hiểu chi tiết về sản phẩm này và lý do nó trở thành lựa chọn hàng đầu cho các dự án nâng hạ.

Ma Ní size 1 Omega chốt vặn ren Là Gì?
Ma ní Omega G-209 Kawasaki là phụ kiện nâng hạ dạng Omega (hình móng ngựa) với chốt vặn ren, được thiết kế để kết nối dây cáp thép, dây xích, hoặc sling với các thiết bị nâng hạ. Sản phẩm thuộc thương hiệu Kawasaki (Nhật Bản), sản xuất tại Trung Quốc theo tiêu chuẩn quốc tế như RR-C-271D, đảm bảo độ bền và an toàn cao trong mọi điều kiện làm việc.
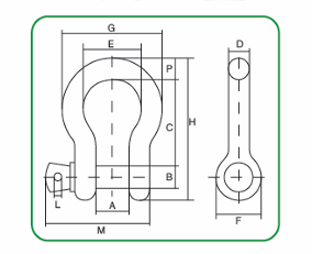
Thông Số Kỹ Thuật Ma Ní G-209 Kawasaki
Mã sản phẩm: G-209-8
Thương hiệu: Kawasaki
Kích thước: 1 inch
Tải trọng làm việc (WLL):8.5 tấn
Hệ số an toàn: 4:1
Vật liệu:
- Thân ma ní: Thép carbon tôi luyện, mạ kẽm nhúng nóng.
- Chốt vặn ren: Thép hợp kim, sơn màu cam hoặc đỏ.
Tải trọng kiểm chứng: SWL (WLL) x 2
Tải trọng phá vỡ: SWL (WLL) x 6
Trọng lượng: Khoảng 6.75 lbs (3.06 kg)
Sản phẩm được thiết kế để chịu lực cao, chống ăn mòn, và hoạt động ổn định trong môi trường khắc nghiệt như cảng biển, nhà máy hóa chất, hoặc công trình ngoài trời.

Lợi Ích Nổi Bật Của Ma Ní Omega G-209 Kawasaki
An Toàn và Đáng Tin Cậy
Ma ní G-209 được trang bị chốt vặn ren cho phép lắp ráp và tháo rời nhanh chóng, đảm bảo kết nối chắc chắn. Hệ số an toàn 4:1 giúp sản phẩm chịu tải gấp 4 lần tải trọng định mức mà vẫn an toàn, mang lại sự yên tâm tuyệt đối khi sử dụng. Sản phẩm được kiểm tra nghiêm ngặt về độ an toàn và độ bền trước khi xuất xưởng.
Chất Lượng Cao Cấp
Vật liệu bền bỉ: Thân ma ní làm từ thép carbon tôi luyện, mạ kẽm nhúng nóng, chống gỉ sét và oxi hóa. Chốt vặn ren được rèn từ thép hợp kim, đảm bảo độ cứng và khả năng chịu lực vượt trội.
Chống ăn mòn: Lớp mạ kẽm nhúng nóng và sơn tĩnh điện trên chốt giúp sản phẩm bền bỉ trong môi trường khắc nghiệt.
Kiểm định chất lượng: Đạt tiêu chuẩn tải trọng kiểm chứng (WLL x 2) và tải trọng phá vỡ (WLL x 6), phù hợp với các tiêu chuẩn quốc tế.
Ứng Dụng Đa Dạng
Ma ní size 1 Omega được sử dụng rộng rãi trong:
Nâng hạ hàng hóa: Kết nối dây cáp thép, dây xích, hoặc sling với móc cẩu để nâng hạ kiện hàng nặng.
Hàng hải: Ứng dụng trong neo đậu tàu thuyền, giàn khoan, hoặc công trình cảng biển.
Công nghiệp và xây dựng: Liên kết các thiết bị nâng hạ trong nhà máy, kho bãi, hoặc công trường.
Vận tải: Cố định hàng hóa trên xe tải, container, hoặc phương tiện vận chuyển.
Dễ Sử Dụng và Bảo Quản
Thiết kế nhỏ gọn: Với trọng lượng khoảng 6.75 lbs, ma ní G-209 dễ vận chuyển và lắp đặt.
Lắp ráp nhanh: Chốt vặn ren cho phép kết nối hoặc ngắt kết nối nhanh chóng, tiết kiệm thời gian.
Bảo trì đơn giản: Bề mặt mạ kẽm và sơn tĩnh điện giúp dễ vệ sinh, ít bám bụi, và không thấm dầu mỡ.
Bảo quản: Lưu trữ ở môi trường khô ráo, tránh ánh nắng trực tiếp và hóa chất ăn mòn để duy trì độ bền.

Lý Do Nên Chọn Ma Ní Omega G-209 Kawasaki
Thương Hiệu Uy Tín
Kawasaki là thương hiệu nổi tiếng với các sản phẩm công nghiệp chất lượng cao. Dù được sản xuất tại Trung Quốc, ma ní G-209 vẫn tuân thủ các tiêu chuẩn Nhật Bản, đảm bảo độ tin cậy và hiệu suất vượt trội.
Giá Thành Cạnh Tranh
So với các sản phẩm từ châu Âu hoặc Nhật Bản, ma ní G-209 Kawasaki có giá thành hợp lý, phù hợp với ngân sách của nhiều doanh nghiệp mà vẫn đảm bảo chất lượng tương đương.
Hướng Dẫn Sử Dụng và Bảo Quản Ma Ní size 1 Omega
Để đảm bảo an toàn và hiệu suất tối ưu, hãy tuân thủ các hướng dẫn sau:
Kiểm tra trước sử dụng: Đảm bảo ma ní không bị cong, mòn, hoặc biến dạng. Chốt vặn ren phải được vặn chặt và không bị hư hỏng.
Không vượt tải trọng: Chỉ sử dụng ma ní với hàng hóa dưới 8.5 tấn để tránh hư hỏng.
Bảo dưỡng định kỳ: Kiểm tra thường xuyên để phát hiện dấu hiệu mài mòn, thay thế ngay nếu cần.
Bảo quản đúng cách: Lưu trữ ở nơi khô ráo, thông thoáng, tránh tiếp xúc với hóa chất ăn mòn hoặc nhiệt độ cao.
NẾU BẠN CÒN GÌ THẮC MẮC CÓ THỂ LIÊN HỆ VỚI CHÚNG TÔI!

Địa chỉ: 1177 QL50, Phong Phú, Bình Chánh, TP.HCM
Website: https://xuyenadaithanh.com/









Đánh giá
Chưa có đánh giá nào.