Trong ngành công nghiệp nâng hạ, ma ní chữ U size 1 chốt vặn ren tải trọng 8.5 tấn model G-210 Kawasaki là sản phẩm được tin dùng nhờ độ bền, an toàn và khả năng ứng dụng linh hoạt. Mang thương hiệu Kawasaki, sản phẩm này được sản xuất theo công nghệ tiên tiến, đáp ứng các tiêu chuẩn quốc tế, là lựa chọn hàng đầu cho các công trình xây dựng, cảng biển và công nghiệp nặng. Hãy cùng khám phá chi tiết về ma ní G-210 Kawasaki và lý do bạn nên chọn nó cho dự án của mình.

Ma Ní Chữ U Chữ U Size 1 Chốt Vặn Ren Kawasaki Là Gì?
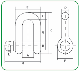
Ma ní chữ U G-210 Kawasaki là phụ kiện nâng hạ dạng chữ U, sử dụng chốt vặn ren để kết nối dây cáp thép, dây xích, hoặc sling với các thiết bị nâng hạ. Sản phẩm thuộc thương hiệu Kawasaki (Nhật Bản), được sản xuất tại Trung Quốc theo tiêu chuẩn RR-C-271D, đảm bảo độ bền và an toàn trong các môi trường làm việc khắc nghiệt.
Thông Số Kỹ Thuật Ma Ní G-210 Kawasaki
Mã sản phẩm: G-210
Thương hiệu: Kawasaki
Kích thước: 1 inch
Tải trọng làm việc (WLL): 8.5 tấn
Hệ số an toàn: 4:1
Vật liệu:
- Thân ma ní: Thép carbon tôi luyện, mạ kẽm nhúng nóng.
- Chốt vặn ren: Thép hợp kim, sơn màu cam hoặc đỏ.
Tải trọng kiểm chứng: SWL (WLL) x 2
Tải trọng phá vỡ: SWL (WLL) x 6
Trọng lượng: Khoảng 6.75 lbs (3.06 kg)
Ma ní G-210 được thiết kế để chịu lực cao, chống ăn mòn, và phù hợp với các ứng dụng như nâng hạ container, neo đậu tàu thuyền, hoặc cố định hàng hóa trong vận tải.

Lợi Ích Nổi Bật Của Ma Ní Chữ U size 1 Kawasaki
Độ An Toàn Cao
Ma ní G-210 được trang bị chốt vặn ren giúp lắp ráp nhanh chóng và đảm bảo kết nối chắc chắn. Hệ số an toàn 4:1 cho phép sản phẩm chịu tải gấp 4 lần tải trọng định mức, giảm thiểu rủi ro trong quá trình vận hành. Mỗi sản phẩm đều được kiểm tra nghiêm ngặt về độ an toàn và độ bền trước khi xuất xưởng.
Chất Lượng Vượt Trội
Vật liệu cao cấp: Thân ma ní làm từ thép carbon tôi luyện, mạ kẽm nhúng nóng, chống gỉ sét và oxi hóa. Chốt vặn ren được rèn từ thép hợp kim, đảm bảo độ cứng và khả năng chịu lực cao.
Bề mặt hoàn thiện: Lớp mạ kẽm nhúng nóng trên thân và sơn tĩnh điện trên chốt giúp sản phẩm bền bỉ trong môi trường khắc nghiệt như cảng biển hoặc nhà máy hóa chất.
Kiểm định chất lượng: Đạt tiêu chuẩn tải trọng kiểm chứng (WLL x 2) và tải trọng phá vỡ (WLL x 6), đáp ứng tiêu chuẩn quốc tế.
Ứng Dụng Đa Dạng
Ma ní chữ U G-210 Kawasaki phù hợp cho nhiều lĩnh vực:
Nâng hạ hàng hóa: Kết nối dây cáp thép, dây xích, hoặc sling với móc cẩu để nâng hạ kiện hàng nặng.
Hàng hải: Sử dụng trong neo đậu tàu thuyền, giàn khoan, hoặc các công trình cảng biển.
Công nghiệp và xây dựng: Liên kết các thiết bị nâng hạ trong nhà máy, kho bãi, hoặc công trường.
Vận tải: Cố định hàng hóa trên xe tải, container, hoặc phương tiện vận chuyển.
Dễ Sử Dụng và Bảo Quản
Thiết kế nhỏ gọn: Trọng lượng nhẹ (khoảng 3.06 kg), dễ vận chuyển và lắp đặt.
Chốt vặn ren tiện lợi: Cho phép kết nối hoặc ngắt kết nối nhanh chóng, tiết kiệm thời gian.
Bảo trì đơn giản: Bề mặt mạ kẽm và sơn tĩnh điện giúp dễ vệ sinh, ít bám bụi, không thấm dầu mỡ.
Bảo quản: Lưu trữ ở nơi khô ráo, tránh ánh nắng trực tiếp và hóa chất ăn mòn để duy trì tuổi thọ.

Lý Do Nên Chọn Ma Ní Chữ U size 1 Kawasaki
Thương Hiệu Uy Tín
Kawasaki là thương hiệu nổi tiếng với các sản phẩm công nghiệp chất lượng cao. Ma ní G-210 được sản xuất theo tiêu chuẩn Nhật Bản, đảm bảo độ tin cậy và hiệu suất vượt trội, dù được gia công tại Trung Quốc.
Giá Thành Hợp Lý
So với các sản phẩm từ châu Âu hoặc Nhật Bản, ma ní G-210 Kawasaki có giá thành cạnh tranh, phù hợp với ngân sách của nhiều doanh nghiệp.
Hướng Dẫn Sử Dụng và Bảo Quản Ma Ní G-210 Kawasaki
Để đảm bảo an toàn và hiệu suất tối ưu, hãy tuân thủ các hướng dẫn sau:
Kiểm tra trước sử dụng: Đảm bảo ma ní không bị cong, mòn, hoặc biến dạng. Chốt vặn ren phải được vặn chặt và không bị hư hỏng.
Không vượt tải trọng: Chỉ sử dụng ma ní với hàng hóa dưới 8.5 tấn để tránh hư hỏng.
Bảo dưỡng định kỳ: Kiểm tra thường xuyên để phát hiện dấu hiệu mài mòn, thay thế ngay nếu cần.
Bảo quản đúng cách: Lưu trữ ở nơi khô ráo, thông thoáng, tránh tiếp xúc với hóa chất ăn mòn hoặc nhiệt độ cao.
NẾU BẠN CÒN GÌ THẮC MẮC CÓ THỂ LIÊN HỆ VỚI CHÚNG TÔI!

Địa chỉ: 1177 QL50, Phong Phú, Bình Chánh, TP.HCM
Website: https://xuyenadaithanh.com/








Đánh giá
Chưa có đánh giá nào.