Ma Ní 5/8 Omega Chốt Vặn Ren Tải Trọng 3.25 Tấn Model G-209 KAWASAKI là thiết bị quan trọng trong các ứng dụng nâng hạ, kết nối dây cáp, xích hoặc sling với hàng hóa, container. Với thiết kế dạng Omega chắc chắn, chốt vặn ren tiện lợi và khả năng chịu tải 3.25 tấn, sản phẩm này đáp ứng nhu cầu đa dạng trong các ngành công nghiệp, xây dựng, hàng hải và vận tải. Được sản xuất bởi thương hiệu Kawasaki, ma ní G-209 đảm bảo độ bền cao, an toàn tuyệt đối và hiệu suất vượt trội.

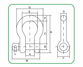
Thông Số Kỹ Thuật Ma Ní 5/8 Omega G-209 Kawasaki 3.25 Tấn
Dưới đây là thông số kỹ thuật chi tiết của ma ní Omega G-209:
Mã sản phẩm: G209-3
Thương hiệu: Kawasaki
Xuất xứ: Trung Quốc
Loại ma ní: Omega chốt vặn ren (screw pin shackle)
Vật liệu: Thân làm từ thép carbon đã tôi luyện, chốt làm từ thép hợp kim
Kích cỡ: 5/8 inch
Tải trọng làm việc (WLL): 3.25 tấn
Hệ số an toàn: 4:1 (tải trọng phá hủy gấp 4 lần WLL, tức 13 tấn)
Trọng lượng: Khoảng 2.63 lbs (1.19 kg)
Bề mặt: Thân mạ kẽm nhúng nóng, chốt sơn màu đỏ hoặc cam để tăng thẩm mỹ và chống ăn mòn.
Sản phẩm được sản xuất theo tiêu chuẩn quốc tế, đi kèm chứng nhận CO, CQ, đảm bảo chất lượng và độ tin cậy.

Đặc Điểm Nổi Bật Của Ma Ní 5/8 Omega G-209 Kawasaki 3.25 Tấn
Thiết Kế Omega Chắc Chắn
Ma ní G-209 có thiết kế dạng Omega (hình móng ngựa), lý tưởng để kết nối dây cáp, xích hoặc sling với tải trọng lớn. Chốt vặn ren cho phép tháo lắp nhanh chóng, phù hợp với các ứng dụng cần kết nối ngắn hạn hoặc tháo gỡ thường xuyên.
Độ Bền Cao, Chống Ăn Mòn
Được chế tạo từ thép carbon tôi luyện và thép hợp kim, ma ní G-209 có độ bền vượt trội. Lớp mạ kẽm nhúng nóng trên thân và lớp sơn tĩnh điện trên chốt giúp sản phẩm chống ăn mòn hiệu quả, phù hợp sử dụng trong môi trường khắc nghiệt như cảng biển, nhà máy hóa chất hoặc ngoài trời.
An Toàn Và Đáng Tin Cậy
Với hệ số an toàn 4:1, ma ní G-209 đảm bảo tải trọng phá hủy lên đến 13 tấn, mang lại sự an tâm khi sử dụng. Sản phẩm được kiểm tra nghiêm ngặt trước khi xuất xưởng, đáp ứng các tiêu chuẩn an toàn quốc tế.
Ứng Dụng Linh Hoạt
Ma ní Omega G-209 được sử dụng rộng rbooks:
Công nghiệp xây dựng: Kết nối dây cáp, xích hoặc sling với container, kiện hàng.
Hàng hải: Neo tàu, giằng trụ hoặc làm bến đậu.
Vận tải: Hỗ trợ kéo, nâng và cố định hàng hóa nặng.
Công trình lắp đặt: Liên kết các thiết bị nâng hạ như pa lăng, móc cẩu.
Dễ Dàng Tháo Lắp
Chốt vắn ren cho phép thao tác lắp đặt và tháo gỡ nhanh chóng, thuận tiện cho các ứng dụng cần tính cơ động cao, như nối dài cáp hoặc xích, hoặc kết nối với móc cẩu, tăng đơ.

Lợi Ích Khi Sử Dụng Ma Ní 5/8 Omega
Tăng Hiệu Suất Công Việc: Tải trọng 3.25 tấn và thiết kế chắc chắn giúp nâng hạ nhanh chóng, hiệu quả.
Đảm Bảo An Toàn: Chốt vặn ren giữ tải an toàn, giảm thiểu rủi ro tai nạn trong quá trình vận hành.
Tiết Kiệm Chi Phí: Độ bền cao, chống ăn mòn, giảm chi phí bảo trì và thay thế.
Ứng Dụng Đa Dạng: Phù hợp với nhiều loại dây cáp, xích, sling, đáp ứng nhu cầu đa dạng.
Hướng Dẫn Bảo Quản Và Sử Dụng Ma Ní Omega G-209
Để đảm bảo hiệu suất và tuổi thọ của ma ní, hãy tuân thủ các hướng dẫn sau:
Kiểm tra định kỳ: Kiểm tra trước khi sử dụng để đảm bảo không có dấu hiệu mòn, biến dạng hoặc hư hỏng.
Không vượt tải trọng: Không sử dụng ma ní với tải trọng vượt quá WLL (3.25 tấn).
Bảo quản đúng cách: Lưu trữ ở nơi khô ráo, thoáng khí, tránh tiếp xúc với hóa chất ăn mòn, ánh nắng trực tiếp hoặc nhiệt độ cao.
Vệ sinh thường xuyên: Giữ bề mặt sạch sẽ để duy trì lớp mạ kẽm và chống gỉ sét.
Đảm bảo chốt vặn ren: Luôn kiểm tra và vặn chặt chốt trước khi sử dụng.
Tại Sao Nên Chọn Ma Ní Omega G-209 Kawasaki?
Thương hiệu uy tín: Kawasaki là thương hiệu nổi tiếng với các sản phẩm nâng hạ chất lượng cao, được tin dùng toàn cầu.
Chất lượng đảm bảo: Đạt tiêu chuẩn quốc tế, đi kèm chứng nhận CO, CQ và chế độ bảo hành rõ ràng.
NẾU BẠN CÒN GÌ THẮC MẮC CÓ THỂ LIÊN HỆ VỚI CHÚNG TÔI









Đánh giá
Chưa có đánh giá nào.