Ma ní 3/8 là dòng ma ní kích cỡ vừa, chuyên dùng cho các công việc nâng hạ, kéo, neo buộc trong xây dựng, vận chuyển, hàng hải. Model G-290 thuộc thương hiệu KAWASAKI – Nhật Bản, đạt tiêu chuẩn quốc tế về an toàn và độ bền.

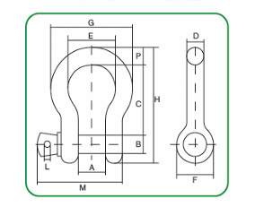
Thông số kỹ thuật
Tên sản phẩm: Ma ní 3/8 G-290 KAWASAKI
Kích thước: 3/8 inch (~10mm)
Tải trọng làm việc (WLL): 1 tấn
Dạng: Omega (hình móng ngựa)
Chốt: Vặn ren có ren trong, dễ tháo lắp
Chất liệu: Thép rèn chịu lực
Xử lý bề mặt: Mạ kẽm nhúng nóng – chống gỉ

Ưu điểm nổi bật của ma ní 3/8
Thiết kế Omega giúp phân tán lực hiệu quả, giảm nguy cơ nứt gãy.
Chốt vặn ren tiện dụng, dễ thao tác trong các không gian hẹp.
Tải trọng lên đến 1 tấn, đảm bảo an toàn khi dùng nâng vật nặng.
Bền bỉ, chống mài mòn tốt trong môi trường khắc nghiệt.

Ứng dụng thực tế
Dùng trong nâng hạ máy móc, kết cấu thép
Ứng dụng trong lắp đặt hệ thống cẩu trục
Phù hợp với ngành hàng hải, đóng tàu, kho bãi
Kết nối cáp, xích hoặc dây tải trọng
Hướng dẫn sử dụng an toàn
Không sử dụng quá tải trọng định mức (1 tấn)
Kiểm tra ma ní trước mỗi lần dùng để tránh nứt gãy
Vệ sinh và bảo quản nơi khô ráo khi không sử dụng
Mua ma ní 3/8 G-290 KAWASAKI ở đâu uy tín?
Chúng tôi là đơn vị cung cấp ma ní 3/8 chính hãng KAWASAKI, đầy đủ CO, CQ, hàng luôn sẵn kho, giao nhanh toàn quốc. Cam kết sản phẩm chất lượng, đúng tải trọng – giá cạnh tranh nhất thị trường.
NẾU BẠN CÒN GÌ THẮC MẮC CÓ THỂ LIÊN HỆ VỚI CHÚNG TÔI

Địa chỉ: 1177 QL50, Phong Phú, Bình Chánh, TP.HCM
Website: https://xuyenadaithanh.com/







Đánh giá
Chưa có đánh giá nào.