Ma ní là phụ kiện không thể thiếu trong các hoạt động nâng hạ, kết nối dây cáp, xích hoặc dây đai với hàng hóa. Ma Ní 3/4 Omega Chốt Vặn Ren Tải Trọng 4.75 Tấn Model: G-209 KAWASAKI là sản phẩm chất lượng cao, được thiết kế để đảm bảo an toàn và hiệu quả tối ưu. Với độ bền vượt trội và thiết kế tiện dụng, sản phẩm này đang được ưa chuộng trong nhiều ngành công nghiệp tại Việt Nam. Hãy cùng khám phá chi tiết về sản phẩm này!

Đặc Điểm Nổi Bật Của Ma Ní 3/4 Omega G-209 KAWASAKI
Chất Liệu Cao Cấp, Độ Bền Cao
Ma Ní G-209 được chế tạo từ thép carbon chất lượng cao, qua quá trình rèn và mạ kẽm nhúng nóng, mang lại khả năng chống ăn mòn và gỉ sét vượt trội. Điều này giúp sản phẩm hoạt động bền bỉ trong các môi trường khắc nghiệt như cảng biển, công trình ngoài trời hay nhà máy hóa chất. Thiết kế dạng Omega (cùm cánh cung) cho phép chịu tải từ nhiều hướng, đảm bảo độ bền và an toàn tối đa.

Chốt Vặn Ren – Tiện Lợi Và An Toàn
Sản phẩm được trang bị chốt vặn ren (screw pin), cho phép lắp ráp và tháo rời nhanh chóng, phù hợp với các ứng dụng cần kết nối tạm thời. Chốt được làm từ thép hợp kim, sơn tĩnh điện màu đỏ, đảm bảo độ cứng cáp và dễ nhận diện. Thiết kế này giúp siết chặt kết nối, giữ tải trọng an toàn trong suốt quá trình vận hành.
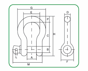
Thông Số Kỹ Thuật Ưu Việt
Mã sản phẩm: G-209-4
Thương hiệu: KAWASAKI
Xuất xứ: Trung Quốc
Vật liệu: Thép carbon (thân), thép hợp kim (chốt)
Hoàn thiện bề mặt: Mạ kẽm nhúng nóng (thân), sơn tĩnh điện (chốt)
Kích cỡ: 3/4 inch
Tải trọng làm việc (WLL): 4.75 tấn
Hệ số an toàn: 4 lần WLL
Trọng lượng: 3.16 lbs (~1.43 kg)
Với tải trọng làm việc 4.75 tấn và hệ số an toàn 4:1, Ma Ní G-209 đảm bảo khả năng chịu lực mạnh mẽ, phù hợp cho các công việc nâng hạ vật nặng.

Ứng Dụng Đa Dạng
Ma Ní Omega G-209 được sử dụng rộng rãi trong nhiều lĩnh vực:
Công nghiệp nâng hạ: Kết nối dây cáp, xích hoặc dây đai với container, kiện hàng.
Hàng hải: Neo tàu, cố định hàng hóa trên tàu hoặc giàn khoan.
Xây dựng: Nâng hạ vật liệu, máy móc hạng nặng.
Vận tải: Phục hồi xe, kéo trụ điện, cố định hàng hóa trong quá trình vận chuyển.
Sản phẩm nhỏ gọn, dễ thao tác, giúp tăng hiệu quả công việc và tiết kiệm thời gian.
Lợi Ích Khi Sử Dụng Ma Ní 3/4 Omega G-209 KAWASAKI
An Toàn Tuyệt Đối
Ma Ní G-209 được kiểm tra nghiêm ngặt theo tiêu chuẩn quốc tế, đảm bảo không biến dạng hay hư hỏng trong giới hạn tải trọng. Hệ số an toàn 4:1 mang lại sự yên tâm khi sử dụng trong các ứng dụng đòi hỏi độ tin cậy cao.
Giá Trị Kinh Tế
So với các sản phẩm cùng phân khúc từ Nhật Bản hay Mỹ, Ma Ní KAWASAKI G-209 có giá thành cạnh tranh nhưng vẫn đảm bảo chất lượng vượt trội. Độ bền cao và khả năng chống mài mòn giúp tiết kiệm chi phí bảo trì và thay thế lâu dài.
Dễ Dàng Bảo Quản
Để duy trì độ bền, chỉ cần bảo quản ma ní trong môi trường khô ráo, tránh tiếp xúc với hóa chất ăn mòn hoặc nhiệt độ cao. Bề mặt mạ kẽm và sơn tĩnh điện giúp sản phẩm dễ lau chùi, không bám bụi bẩn hay dầu mỡ.
Hướng Dẫn Sử Dụng Và Bảo Quản Ma Ní G-209
Để đảm bảo an toàn và tối ưu hiệu suất, hãy tuân thủ các hướng dẫn sau:
Kiểm tra định kỳ: Trước khi sử dụng, kiểm tra ma ní và chốt vặn ren để đảm bảo không có hư hỏng, mài mòn hoặc biến dạng.
Không vượt tải trọng: Chỉ sử dụng trong giới hạn tải trọng làm việc (WLL) 4.75 tấn.
Tránh va chạm mạnh: Giữ ma ní tránh xa các cạnh sắc nhọn hoặc bề mặt gây mài mòn.
Bảo quản đúng cách: Lưu trữ trong môi trường khô ráo, thông thoáng, tránh ánh nắng trực tiếp và hóa chất ăn mòn.
Tại Sao Nên Chọn Ma Ní Omega G-209 KAWASAKI?
Thương hiệu uy tín: KAWASAKI nổi tiếng trong lĩnh vực thiết bị nâng hạ, được tin dùng trên toàn thế giới.
Chất lượng đảm bảo: Sản phẩm đi kèm chứng nhận CO, CQ, đáp ứng tiêu chuẩn quốc tế.
NẾU BẠN CÒN GÌ THẮC MẮC CÓ THỂ LIÊN HỆ VỚI CHÚNG TÔI!

Địa chỉ: 1177 QL50, Phong Phú, Bình Chánh, TP.HCM
Website: https://xuyenadaithanh.com/









Đánh giá
Chưa có đánh giá nào.